电话:18038060509(张先生)/18028765234(陈先生)/13802295339(甘先生) 邮箱:707609798@qq.com

产品展示

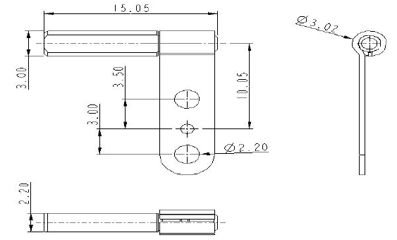
CH46

扭 力 值:0.4-0.9kgf.cm (可调) 转轴功能:0-360度有自闭合功能; 寿命要求:15000次,衰减±20%以内; 产品材料符合ROHS规范 ;

产品内容

扭 力 值:0.4-0.9kgf.cm (可调)
转轴功能:0-360度有自闭合功能;
寿命要求:15000次,衰减±20%以内;
产品材料符合ROHS规范 ;

【前一条】 CH44

【后一条】 CH48

首页 产品 手机 顶部